ABB IRB 4400L30 M98
Versión de brazo largo del ABB IRB4400 con un alcance horizontal de 2.432 mm. Robot altamente ágil y compacto para tareas de manipulación de cargas medias y pesadas. Debido a su excelente versatilidad es apropiado para muy variadas aplicaciones. Equipado con el controlador S4C con un diseño renovado frente a su predecesor S4. Las instrucciones RAPID de este control facilitan la programación.
Su capacidad de carga de hasta 30 kg a velocidades muy rápidas le permite la manipulación simultánea de dos partes.
Maniobrabilidad rápida hace que el IRB 4400 se adapte perfectamente para aplicaciones donde la velocidad y la flexibilidad son importantes.
La construcción rígida robusta significa largos intervalos entre el mantenimiento de rutina. Brazos de acero bien equilibrados con articulaciones dobles de rodamiento, un par-puntal en el eje 2 y el uso de cajas de cambio libre de mantenimiento y cableado también contribuyen a los altos niveles de
confiabilidad.
El tren de transmisión está optimizado para dar un alto Esfuerzo de torsión con el menor consumo de energía para un funcionamiento económico.
Datos Generales:
- Número de ejes: 6
- Capacidad carga: 30 Kg.
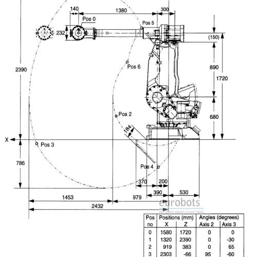
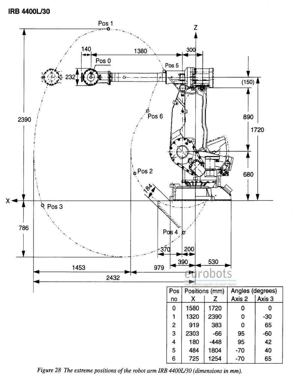
- Máximo alcance: 2432 mm.
- Precisión en la repetición: 0,1 mm.
- Controlador: M97A-M98A-M99 S4C.
Velocidad y Movimento del Robot:
- Eje 1: 150º/seg
- Eje 2: 120º/seg
- Eje 3: 120º/seg
- Eje 4: 225º/seg
- Eje 5: 250º/seg
- Eje 6: 330º/seg
Aplicaciones
Soldadura por arco , Presione tendiendo , Paletización , Carga y descarga de piezas , Mecanizado , Manipulación de piezas , Medición , Pegado - Pegado adhesivo
Fotos
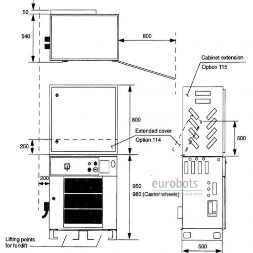
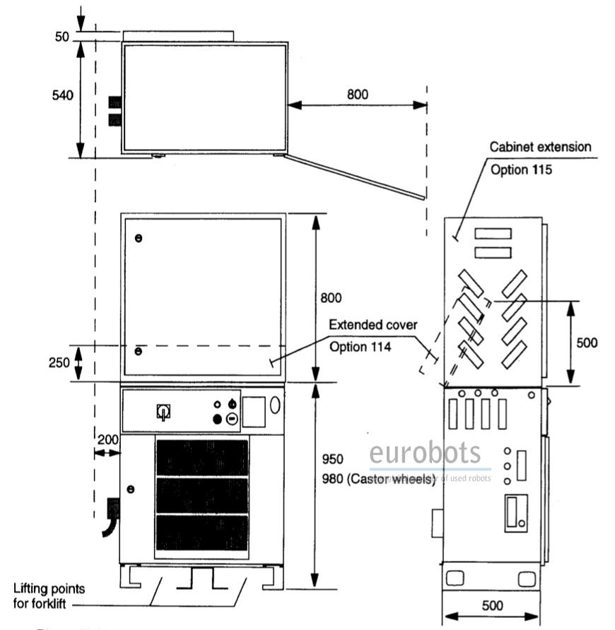
Diagramas
English
Spain
Germany
France
Russia
China
Argentina
Portugal
Colombia
Italy
India
Brazil
Japan
Mexico
Turkey
Ukraine
Peru
Sth. Africa